ProductsAncillariesPressure Controller

Pressure Controller

Pressure Controller

Features

The sensor control module for differential pressure and volume flow measures and indicates the pressure or, optionally, the volume flow in a ventilation system. The calculation of the volume flow is performed by entering the K-factor of the fan inlet ring.

  • Quick and easy to install and commission
  • Pre-set parameters to control a EC fan's speed in proportion to demand
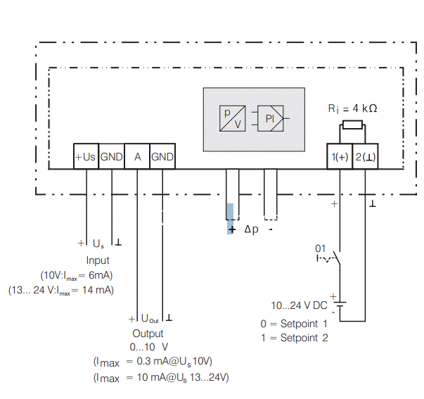
  • 10-24V DC Supply Voltage
  • 2 x Setpoints selectable via Digital Input

Technical Data

Model Number Measuring Range Mount Type Protection Class Dimensions
(W x H x D)
in mm
DCV-CU-CPG-200AV 0-50 / 100 / 150 / 200 Pa Wall IP54 114 x 108 x 56
DCV-CU-CPG-1000AV 0-200 / 300 / 500 / 1000 Pa Wall IP54 114 x 108 x 56
Wiring Diagram
Support Image