ProductsFan ControllersThermostat

Thermostat

Thermostat

Features

The Fantech Fan Control Thermostat has been developed to control the operation of a 240-volt fan based on the setting made on the thermostat dial.

It can be set to turn on a fan when the room temperature is either higher or lower than the set point. This makes it an ideal addition for Heat Transfer Kits as it turns on the fan to efficiently transfer warm air from one room to another when the temperature falls below the thermostat’s set point. It can also be used with supply air systems to provide fresh air to a given space when the temperature reaches the dial setting.

The Thermostat can also be used in applications such as computer server rooms, switch rooms and commercial kitchens where the accumulation of hot air needs to be extracted through the use of a ceiling, wall-mounted or in-line fans.

Technical Data

Model Number Temperature Range Mounting Maximum Amps Dimensions, mm
TFC6 5°C to 30°C Wall mountable 6.0 86W × 86H × 33D

Selection Table

The TFC6 is suitable for most 240-volt fans.

The TFC6 can be set in two modes:
Cool mode - will start the fan when the room temperature is higher than the set point.
Heat mode - will start the fan when the room temperature is lower than the set point.

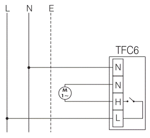
Wiring Diagram
Support Image