IC.. Inlet Cones for Axial Fans
Features
Fantech inlet cones are of an exponential shape which optimises the fans’ performance and minimises noise generation.
The inlet cones for axial flow fans are made from galvanised steel. Inlet cones for short case axial fans are made from powder-coated spun steel.
Finger guards are available as an optional extra.
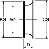
Dimensions
| Product Code |
A |
B |
C |
D |
| CIC031S |
315 |
380 |
410 |
80 |
| CIC035S |
355 |
425 |
482 |
88 |
| CIC040S |
400 |
463 |
503 |
95 |
| CIC045S |
450 |
519 |
600 |
95 |
| CIC050S |
500 |
567 |
618 |
105 |
| CIC056S |
560 |
644 |
690 |
115 |
| CIC063S |
630 |
721 |
805 |
135 |
| IC031S |
316 |
383 |
409 |
83 |
| IC040S |
400 |
488 |
505 |
95 |
| IC050S |
501 |
597 |
622 |
109 |
| IC056S |
561 |
659 |
683 |
121 |
| IC063S |
630 |
730 |
805 |
125 |
| IC071S |
722 |
803 |
910 |
154 |
| IC080S |
800 |
885 |
965 |
145 |
| IC100S |
1000 |
1110 |
1200 |
165 |
| IC125S |
1250 |
1380 |
1480 |
205 |
| IC140S |
1400 |
1540 |
1670 |
230 |
| IC160S |
1600 |
1750 |
1900 |
265 |
| IC180S |
1800 |
1950 |
2100 |
295 |
| IC200S |
2000 |
2150 |
2192 |
295 |